Objednávkové číslo: 10.06.04.025
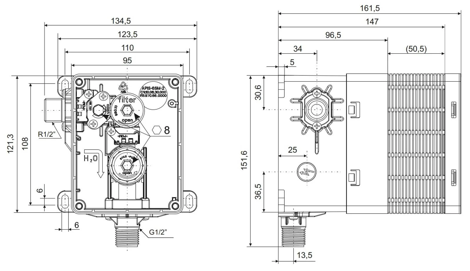
Montážna sada APIS-6-M2
Montážna sada pre podomietkovú inštaláciu pisoárových splachovačov s bočným prívodom vody. Určená pre montáž do steny alebo do podomietkových závesných modulov Laufen-INEO.
Pridané do košíka
Základné parametre
- Rozmery134,5 x 151,5 x 161,5mm














