Objednávkové číslo: 04.16.66.300
Automatická bezdotyková sprchová armatúra SABA Q4.2-2xTL EXT BS
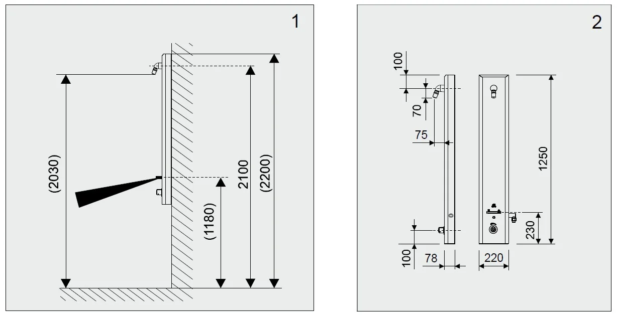
Automatická bezdotyková sprchová armatúra SABA Q4.2-2xTL EXT BS je nástenná sprchová armatúra s hornou a ručnou sprchovou hlavicou, vybavená termostatickým zmiešavačom a bezdotykovým ovládaním tečenia vody. Predstenová koncepcia umožňuje jednoduchú inštaláciu bez potreby stavebných zásahov do steny, pričom zároveň zabezpečuje čistý, minimalistický vzhľad a vysokú odolnosť riešenia.
Zariadenie je vybavené optoelektronickým START-STOP systémom a zároveň nastaviteľnou optikou snímania sprchovacieho priestoru, ktorá umožňuje efektívnejšie využívanie vody a zároveň zabezpečenie priestoru počas vykonávania termických dezinfekčných preplachov. K spusteniu tečenia vody dochádza po priložení rúk do automaticky prednastavenej zóny snímania do vzdialenosti max. 50 mm od priezoru elektroniky.
Vypnutie tečenia vody nastáva automaticky po 23 sekundách od spustenia, opätovným priložením ruky pred snímač alebo odchodom používateľa zo zóny sprchovacieho priestoru. Dosah snímania sa po zapojení nastavuje automaticky a je možné ho dodatočne upravovať spolu s ostatnými parametrami prostredníctvom aplikácie Senblecon pre Android.
Zariadenie disponuje prednastaveným automatickým hygienickým preplachom s periódou každých 72 hodín a ponúka možnosť centrálnej aj manuálnej termickej dezinfekcie. Armatúra zároveň umožňuje komunikáciu s RFID čítačkou alebo mincovým automatom, čo ju predurčuje pre využitie v športových zariadeniach, verejných sprchách, wellness centrách a ďalších vysoko frekventovaných prevádzkach.
Základné parametre
- Typ ovládaniaBezdotykové – optoelektronický snímač (START-STOP systém + dlhý dosah snímania)
- Rozmery sprchového panelu220 x 1250 x 78 mm
- Pripojenie vody2 × G 3/8"
- NapájanieExterný napájací zdroj 230 V AC / 12 V DC
- Prietok vody - horná sprchová hlavica7 l/min (podľa použitej sprchovej hlavice)
- Prietok vody - ručná sprchová hlavica9l/min (SKD 1024)
- Pracovný tlak0,5 – 10 bar
- Odporúčaný tlak1 – 5 bar
- Maximálna teplota studenej vody25 °C
- Maximálna teplota teplej vody70 °C
- Dosah snímaniaAutomatické nastavenie po zapnutí, nastaviteľný dosah snímania sprchovej zóny
- Prevádzkové štatistikyArchivácia prevádzkových údajov, počítadlo cyklov, hygienické protokoly
- Nastavenie parametrovAplikácia Senblecon
Špeciálne funkcie
Automatický hygienický preplach
Externý vstup pre hygienický preplach
Termická dezinfekcia
Externý vstup pre termickú dezinfekciu
STOP funkcia
Hygienický protokol
Ručné nastavenie parametrov








