Objednávkové číslo: 02.60.66.003
Automatická bezdotyková umývadlová batéria WBS-2.2A.2-100
Automatická bezdotyková umývadlová batéria WBS-2.2A.2-100 je stojánková umývadlová batéria s integrovanou elektronikou a elektromagnetickým ventilom umiestneným priamo v tele batérie. Dvojhadicové vyhotovenie je vybavené dostupným zmiešavačom, ktorý umožňuje manuálne nastavenie požadovanej teploty vody.
Zariadenie je vybavené optoelektronickým snímačom, ktorý bezdotykovo deteguje prítomnosť rúk alebo iného objektu v priestore umývadla a po ich zaznamenaní automaticky spúšťa tok vody. Vypnutie prúdu vody nastáva 1 – 2 sekundy po opustení snímacej zóny.
Dosah snímania sa po zapojení nastaví automaticky a je možné ho dodatočne upravovať spolu s ostatnými prevádzkovými parametrami pomocou diaľkového ovládača. V prípade, že sa objekt nachádza v snímacej zóne nepretržite dlhšie ako 1 minútu, batéria z bezpečnostných dôvodov automaticky uzavrie prívod vody.
Batéria umožňuje nastavenie termického aj automatického hygienického preplachu, čím prispieva k vyššiemu hygienickému štandardu a k prevencii stagnácie vody. Zariadenie zároveň automaticky archivuje prevádzkové štatistiky, ktoré je možné využiť na monitoring a optimalizáciu prevádzky.
Základné parametre
- Typ ovládaniaBezdotykové – optoelektronický snímač (Dlhý dosah snímania)
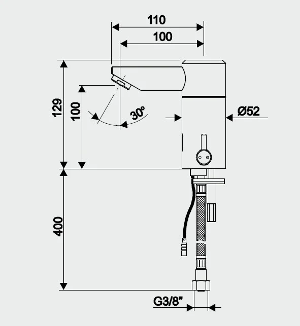
- Rozmery batérie133 × 52 × 110 mm (výška × priemer × dĺžka výtoku)
- Pripojenie vody2x G 3/8"
- Napájanie6 V DC lítiová batéria CR-P2 alebo externý zdroj 230 V AC / 6 V DC podľa variantu
- Prietok vody6 l/min (perlátor s regulátorom prietoku)
- Pracovný tlak0,5 – 10 bar
- Odporúčaný tlak1 – 5 bar
- Maximálna teplota studenej vody25 °C
- Maximálna teplota teplej vody70 °C
- Dosah snímania Automatické nastavenie po zapnutí, max. 24 cm
- Prevádzkové štatistikyPočítadlo ventilových cyklov, čas tečenia vody, systémové a hygienické údaje
- Nastavenie parametrovDiaľkový ovládač DO-5.1
Špeciálne funkcie
Automatický hygienický preplach
Termická dezinfekcia
STOP funkcia
Automatické vypnutie ventilu pri výpadku napájania





